|
|
 |
|
|
|
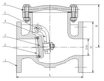
Components
|
|
1
|
Body
|
Cast Iron or Ductile Iron
|
|
2
|
Seat
|
Brass
|
|
3
|
Disc
|
Cast Iron or Ductile Iron
|
|
4
|
Hanger
|
Cast Iron or Ductile Iron
|
|
5
|
Ingot Pin
|
St. Steel
|
|
6
|
Bonnet
|
Cast Iron or Ductile Iron
|
|
 |
|
|
|
Application
|
|
1
|
Face to face according to MSS-SP-71
|
|
2
|
Flange drilled according to B16.1/B16.5
|
|
 |
|
|
|
Test
|
|
Working Pressure
|
125 PSI / 150 PSI
|
|
Shell Pressure
|
300 PSI
|
|
Seat Pressure
|
200 PSI
|
|
 |
|
|
|
Dimensions/Sizes (inch)
|
|
DN
|
1,5
|
2
|
2,5
|
3
|
4
|
5
|
6
|
8
|
10
|
12
|
|
L
|
6,5
|
8
|
8,5
|
9,5
|
11,5
|
13
|
14
|
19,5
|
24,5
|
27,5
|
|
H
|
5
|
5,12
|
5,33
|
6
|
7,33
|
7,75
|
9,25
|
11,25
|
12
|
13,87
|
|
D
|
5
|
6
|
7
|
7,5
|
9
|
10
|
11
|
13,5
|
16
|
19
|
|
 |
 |
|
© copyright 2011: almanit sanitary gmbh, Hamburg, Germany
|
|