|
|
 |
|
|
|
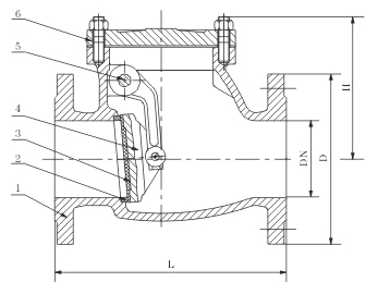
Components
|
|
1
|
Body
|
Cast Iron or Ductile Iron
|
|
2
|
Seat
|
Brass
|
|
3
|
Disc Seat Ring
|
Rubber / Brass
|
|
4
|
Disc
|
Carbon Iron or Iron
|
|
5
|
Ingot Pin
|
St. Steel
|
|
6
|
Bonnet
|
Cast Iron or Ductile Iron
|
|
 |
|
|
|
Application
|
|
1
|
Face to face according to DIN 3202-F6
|
|
2
|
Flange drilled according to DIN 2532/2533
|
|
 |
|
|
|
Test
|
|
Working Pressure
|
PN10
|
PN16
|
|
Shell Pressure
|
15 Bars
|
24 Bars
|
|
Seat Pressure
|
11 Bars
|
17,6 Bars
|
|
 |
|
|
|
Dimensions/Sizes (mm)
|
|
DN
|
40
|
50
|
65
|
80
|
100
|
125
|
150
|
200
|
250
|
300
|
|
L
|
180
|
200
|
240
|
260
|
300
|
350
|
400
|
500
|
600
|
700
|
|
H
|
120
|
125
|
130
|
160
|
185
|
195
|
205
|
285
|
320
|
340
|
|
D PN10
|
150
|
165
|
185
|
200
|
220
|
250
|
285
|
340
|
395
|
445
|
|
D PN16
|
150
|
165
|
185
|
200
|
220
|
250
|
285
|
340
|
405
|
460
|
|
 |
 |
|
© copyright 2011: almanit sanitary gmbh, Hamburg, Germany
|
|