 |
 |
|
 |
|
 |
|
|
|
- Suitable for water and neutral liquids (sewage).
- Working temperature up to 70°C.
- Test conform to EN 12266.
- Fully corrosion resistant constructions.
- Inside and outside fusion bonded epoxy coatings.
- Wide outlet range 1/2 to 3".
- Stainless steel fastener.
- EPDM gaskets.
|
|
 |
|
|
|
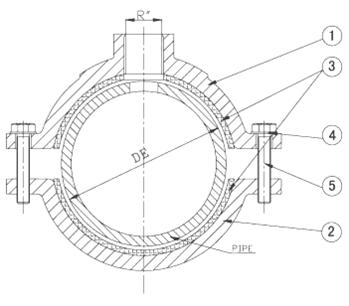
No.
|
Reference
|
Material
|
Standard
|
|
1
|
Body
|
GJS-400-15
|
EN 1563
|
|
2
|
Cover
|
GJS-400-15
|
EN 1563
|
|
3
|
Gasket
|
EPDM
|
EN 681
|
|
|
|
NBR
|
EN 682
|
|
4
|
Washer
|
SS A2-70
|
|
|
5
|
Bolt
|
SS A2-70
|
|
|
|